Неизлечимая АКПП

М

ММХ

Гость
Да хоть чего. Появился человек, которому это интересно, если договоримся, я плакать не буду.
Машина ещё в сервисе, в принципе им тоже вынесено предупреждение, что неисправный автомобиль я забирать и оплачивать не буду.
 
М

ММХ

Гость
...
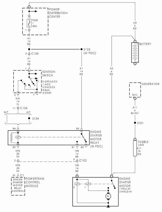
- найти распиновку разъема ТСМ
- найти таблицу сопротивлений соленоидов
Не могу найти, прошу помощи. Может есть у кого? Цешки-то у меня профессиональные есть пара штук и собственный уровень подготовки позволит в гараже прозвонить. Но найти не могу вообще ничего... Как хоть мануал называется, в котором эта информация есть?
ТСМ 05034014AA
ВИН 3C8FY68BX2T262124
 
М

ММХ

Гость
В общем. плита кривая. Проверили бруском, которым головки и блоки проверяют. При мне. В понедельник фрезеровщик на работе появится, скажет, есть ли смысл протачивать.
 
М

ММХ

Гость
Причина-то понятно в чём, нагрев-охлаждение помноженные на недостаточную жесткость конструкции. Там две части, одна больше, вторая меньше (как бы верхняя). И они взаимно не сопрягаются, в центре "яма". И вроде как не первый раз такое фрезеруют. Или шлифуют, не видел я станка.
 

estrige

Ветеран Движения
А сможешь фотку плиты сделать для общего развития?
Я с Мерсом хочу сравнить)) недавно залезть пришлось - каналы промывали
 
М

ММХ

Гость
Теперь уже вряд ли. В интернете же полно фоток в любой проекции https://www.google.ru/search?q=акпп...Bk5Kr7cgCFcL-cgodB9kG9g#imgrc=fMqtBTZdeCaetM:
А что там ещё снимать? Просвет под бруском всё равно виден только глазом под определенным углом. Из колхозных методов определения плоскости есть ещё стекло с наждачкой.
 

estrige

Ветеран Движения
Не кривизна интересна была а сама конструкция, к тому что от перегрева повело аж)
 
М

ММХ

Гость
Ну вон выше есть фотки лабиринта. Конструкция тонкостенная, из силумина.
 

estrige

Ветеран Движения
Посмотрел уже, на мерсе основптельнее гидроблок, но там и коробас технологичнее) правда со своими загонами
 
М

ММХ

Гость
Машина, как и предполагалось, всё ещё в ремонте. Гидроблок фрезернули, но на место пока не поставили.

Вопрос: машина заводится в любом положении рычага АКПП. Это ингибитор или замок зажигания? С замком-то точно есть проблема. Ну как проблема, особенность такая: ключ можно вытащить из любого положения, даже при работающем двигателе. Что удобно. Завёл, закрыл, ушёл. Зимой приятно.
 

подъемник№6

Член Клуба
мозги видят положение коробки и минусят цепь управления реле стартера



почему они видят всегда Р или N надо разбираться
 
М

ММХ

Гость
мозги видят положение коробки и минусят цепь управления реле стартера

почему они видят всегда Р или N надо разбираться
Спасибо, передам электрику схему, пусть роется. Правда, не думаю, чтоб это было причиной моих мучений. Она всегда так работала, скорее всего. Это я раньше не пробовал её в D заводить.
 
М

ММХ

Гость
Не знаю, думаю нет, поди позвонили бы уже из сервиса. Да и не считаю, что починят.
 
М

ММХ

Гость
По-прежнему не знаю.
Противна мне эта машина. Страховка там закончилась, резина летняя обута. Вообще ни малейшего желания нет даже звонить спрашивать, какие у них успехи. Ездить есть на чём, гараж его в аренду сдал, служебную машину во дворе ставлю.
Там кроме коробки надо бы сайлентблоки поменять, 20 тыс. прошли, брал дорогие какие-то - оба порвались вхлам. Хотя с асфальта ни разу не съезжал. Клапан ЕГР менять, пять тыщ. Нижняя опора ДВС. Потолок перетянуть. Обогрев сидений восстановить. В багажнике коробка с запчастями: прокладки по двигателю, провода какие-то, ремкомплект суппортов. Пятая дверь не держит, газовые упоры менять. Нафиг мне оно всё надо, есть нормальные машины, сел-поехал.
Ситуация сейчас простая, исправность коробки повлияет только на цену продажи/обмена. Хотя финансово мне этот ПТ вообще пофиг, могу его тупо сжечь, чтобы на нервы не влиял. Просто душа не лежит им заниматься.
 
Сверху